Beratung und Fach­planung

Beratungsdienstleistung und Fachplanung auf höchstem Niveau

Im Bereich der Beratungsdienstleistung und Fachplanung widmen wir uns der Vorplanung, Konzeption, Konstruktion und Montagebegleitung komplexer und maßgeschneiderter Prozessanlagen. Egal, ob es sich um die Entwicklung einer Einzelanlage handelt oder um die Optimierung eines gesamten Werkes, unser Fokus liegt darauf, Projekte erfolgreich umzusetzen und dabei stets den Überblick zu behalten.

Unser ganzheitlicher Ansatz

In allen Planungsstufen berücksichtigen wir relevante Aspekte der Verfahrens- und Prozesstechnik, Elektrotechnik sowie der Automatisierungstechnik. Dieser multidimensionale Ansatz ermöglicht es uns, Ihnen eine ganzheitliche Engineeringlösung anzubieten, die auf Ihre individuellen Anforderungen zugeschnitten ist. Was uns besonders auszeichnet: Wir realisieren die beschriebenen Leistungen direkt mit unserem eigenen hochqualifizierten und erfahrenen Personal. So können wir eine enge Zusammenarbeit sicherstellen und Ihnen höchste Qualität und Effizienz gewährleisten. Wir setzen auf unser bewährtes Planungsmodell, das alle neun Bauphasen der Honorarordnung für Architekten- und Ingenieursdienstleistungen (HOAI) abdeckt. Unsere Leistung geht weit über die klassische Ausführungsplanung hinaus. Wir übernehmen Verantwortung für die ordnungsgemäße Umsetzung Ihrer Planungsvorgaben und begleiten Sie während des gesamten Bauprozesses.

Unsere Technologie

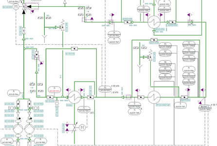
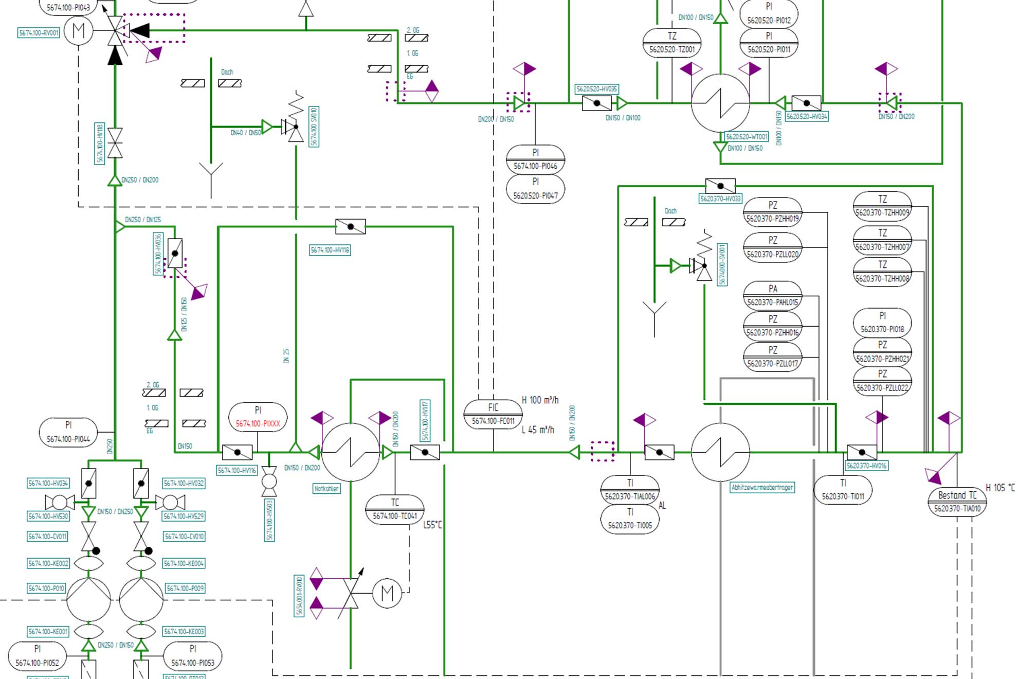
Wir setzen auf modernste CAD-Technik und kombinieren sie mit unserer Fachkenntnis und unternehmerischem Denken, um Ihnen effiziente Engineering- und Projektierungsdienstleistungen zu bieten. Durch eine solide 3D-Planung gewährleisten wir Datenkonsistenz und Systemprüfung über alle Planungsstufen hinweg, um Kollisionen und teure Anpassungen auf der Baustelle zu vermeiden und die Projektdauer maßgeblich zu verkürzen

Downloads

A Rockwell Automation Partner
27.10.2025
ISO 9001:2015 Zertifikat
27.10.2025
ISO 9001:2015 Zertifikat Annex
27.10.2025
Solution Partner Certificate SUATEC Factory Automation
27.10.2025
UL Mark Document Compiler Manufacturer E466334
27.10.2025

FAQs

Sie beinhaltet Vorplanung, Konzeption, Konstruktion und Montagebegleitung komplexer Prozessanlagen – von Einzelprojekten bis zur Optimierung ganzer Werke.

Besonders Branchen mit komplexen Prozessstrukturen – wie Energie-, Lebensmittel-, Chemie- und Pharmaindustrie – profitieren von der integrierten Planungskompetenz.

SUATEC arbeitet mit modernster CAD-Technik und 3D-Planung, um Datenkonsistenz, Kollisionsfreiheit und eine verkürzte Projektdauer sicherzustellen.

Sie ermöglicht präzise Systemprüfungen, verhindert teure Baustellenanpassungen und optimiert Zeit und Kosten durch frühzeitige Kollisionsvermeidung.